Analizator logiczny Saleae, część 2
Analizator logiczny można uznać za sprzęt diagnostyczno-pomiarowy, który stosowany jest wyłącznie do przebiegów cyfrowych. Można go traktować jak 8-kanałowy oscyloskop i w praktyce hobbystycznej będzie bardzo pomocnym przyrządem.
Sprzęt analizatora
Oferta czytników stanów logicznych jest dosyć szeroka. Najbardziej dostępne są chińskie klony (rysunek 1).
Tu warto zwrócić uwagę na pewien szczegół związany ze złączem do diagnozowanego układu (rysunek 2), ma ono na pinie 9 oraz 10 sygnał GND (egzemplarz, którym dysponuje ma takie rozmieszczenie pinów w złączu).
W ofercie można spotkać również model, który zamiast dwóch styków GND ma jeden, natomiast na drugim wyprowadzony jest jakiś zegar (rysunek 3).
Warto przyjrzeć się rozwiązaniom sprzętowym zastosowanym w analizatorze Saleae. Otwierając pudełeczko czytnika można dostrzec układ mikrokontrolera w obudowie QFP, który zajmuje się komunikacją samego czytnika z komputerem PC oraz bufor wejściowy w obudowie SO20 (fotografia 4).
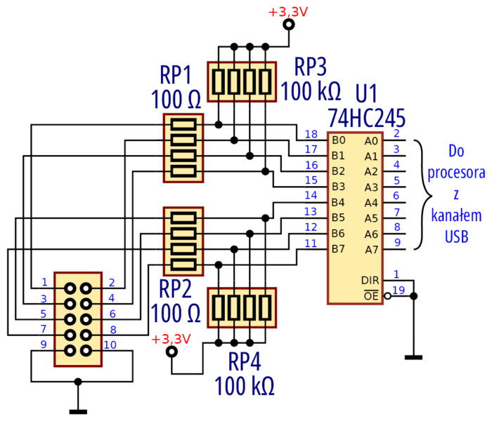
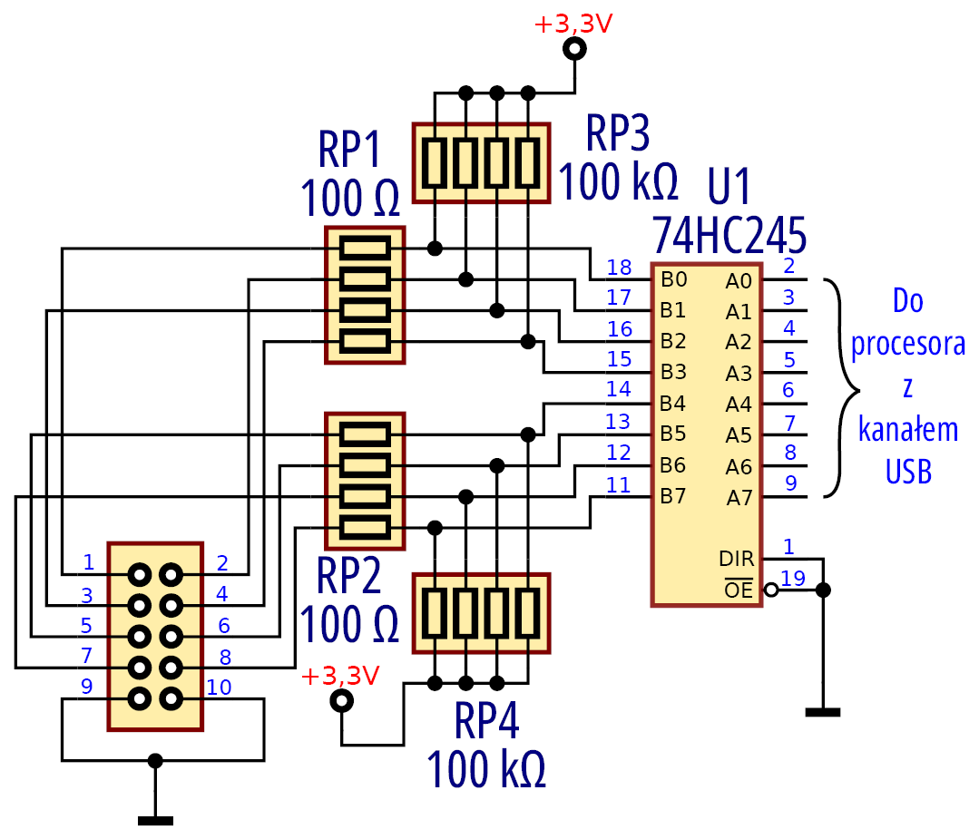
Istnieją wersje uboższe, zawierające jedynie sam mikrokontroler. Obwody wejściowe czytnika pokazuje rysunek 5 (uzyskany jako reverse engineering). Wynika z niego, że czytnik nie przetwarza sygnałów o charakterze analogowym (74HC245 przenosi jedynie sygnały o cechach cyfrowych: strome zbocza i amplituda typowa dla układów logicznych). Właściwie jest on dedykowany systemom o zasilaniu 3,3 V, ale rozwiązania w stopniach wejściowych pozwalają „podłączyć” się do logiki 5 V. Wszystkie wejścia czytnika pozostawione jako „wiszące w powietrzu” będą interpretowane jako jedynka logiczna – ta cecha wynika z rozwiązań stopnia wejściowego.
Drugim elementem jest mikrokontroler, układ o symbolu CY7C68013. Z dostępnej dokumentacji wynika, że jest to ulepszony mikrokontroler z rodziny C51 (rysunek 6).
Standardowy mikrokontroler C51 (z oferty Intel) ma maksymalną częstotliwość taktowania wynoszącą 12 MHz. Dodatkowo ta częstotliwość wewnętrznie jest dzielona przez 12, więc taki układ nie jest w stanie wykonać więcej niż 1 milion instrukcji na sekundę. W tej samej dokumentacji do CY7C68013 jest napisane, że ten model jest ulepszony pod względem taktowania i potrzebuje czterech taktów do wykonania instrukcji (zamiast 12). Przy rezonatorze kwarcowym 24 MHz nie ma możliwości wykonania więcej niż 6 milionów instrukcji na sekundę. Te parametry wpływają na maksymalną częstotliwość próbkowania. Wiedząc, że przetworzenie jednej próbki wymaga kilku instrukcji maszynowych (bo trzeba wczytać stan portu, przesłać do kontrolera USB i zawrócić na początek pętli i może wykonać coś jeszcze), nie należy spodziewać się, że ten układ będzie analizował szybkie sygnały cyfrowe. Postanowiłem sprawdzić ile posiadany czytnik może. (…)
——– ciach! ——–
To jest tylko fragment artykułu, którego pełna wersja ukazała się w lutowym numerze czasopisma Zrozumieć Elektronikę (ZE 2/2026). Pełną wersję czasopisma znajdziesz pod tym linkiem. Natomiast niepełna, okrojona wersja, pozwalająca zapoznać się z zawartością numeru ZE 2/2026 znajduje się tutaj.
Andrzej Pawluczuk
apawluczuk@vp.pl
Uwaga! Wskazówki, jak nabyć pełne wersje dowolnych numerów ZE znajdują się na stronie:
https://piotr-gorecki.pl/n11.





