Moduł wyświetlacza LCD z zasilaniem 3,3 V
Zastosowanie modułów alfanumerycznych LCD w systemach z wykorzystaniem mikrokontrolera o zasilaniu +5 V jest częstym rozwiązaniem: cechuje go prostota i funkcjonalność. Jeżeli jednak mikrokontroler wymaga zasilania +3,3 V, czy można tam stosować te same rozwiązania?
Bardziej nowoczesne mikrokontrolery mają obniżone napięcie zasilające (w stosunku do wcześniej obowiązującego standardu +5V). Wystarczy wskazać na układy z popularnej rodziny STM32, gdzie zasilanie wymaga napięcia o wartości +3,3 V. Nawet mikrokontrolery z popularnej rodziny AVR, które standardowo są pięciowoltowe, tolerują zasilanie o mniejszej wartości napięcia. Układy cyfrowe produkowane z wykorzystaniem tranzystorów CMOS, a do takich należą również mikrokontrolery AVR, są na tyle tolerancyjne w zakresie napięcia zasilającego, że można stworzyć konstrukcję zasilaną ze źródła o mniejszym napięciu. W danych katalogowych do popularnego mikrokontrolera ATMEGA328 znajduje się informacja o dopuszczalnym zakresie napięcia zasilającego (rysunek 1), więc nic nie stoi na przeszkodzie by zmienić je dla mikrokontrolera. Mniejsze napięcie pociąga za sobą jedynie zmniejszenie częstotliwości pracy mikrokontrolera, co jest uwidocznione w danych katalogowych.
Alfanumeryczny moduł LCD na 5 V napięcia zasilającego
Skoro same układy wykonane w technologii CMOS są na tyle tolerancyjne na napięcie zasilające, to można uważać, że układ HD44780 również sobie poradzi w takich warunkach pracy. Jak podaje nota katalogowa tego komponentu, jest to prawdą (rysunek 2).
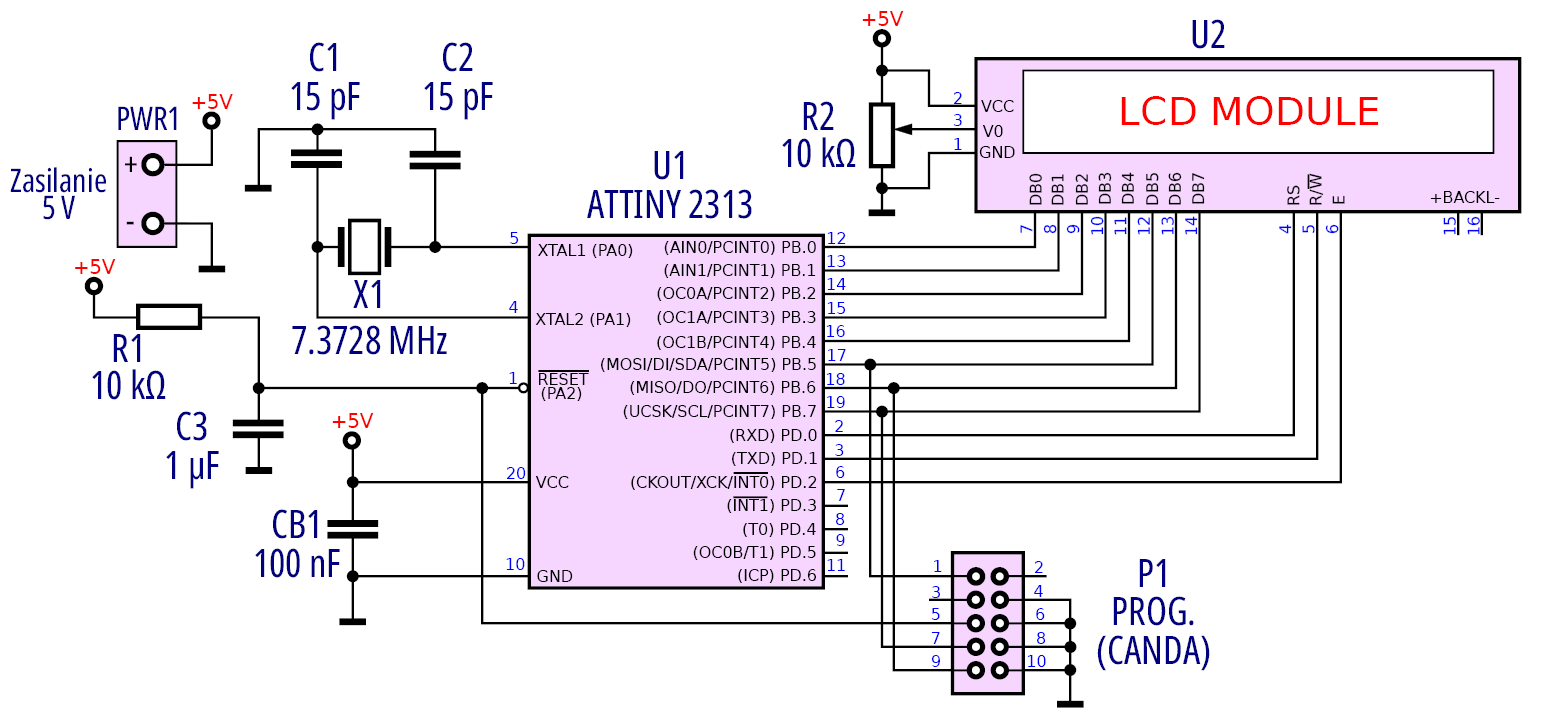
To skłania do realizacji pewnego eksperymentu – zbudowania układu badawczego, którego schemat pokazuje rysunek 3, fotografia 4.
Wykorzystałem tutaj swój minimoduł z mikrokontrolerem ATTINY2313 (fotografia 5), gdyż jego użycie nie wymaga żadnych dodatkowych operacji przy zmianie napięcia zasilającego między +5 V a +3,3 V (użycie w tym miejscu przykładowo modułu Arduino Nano wymaga ingerencji z lutownicą).
Jako moduł LCD można zastosować dowolny, w artykule jest wykorzystany dwuwierszowy – po 16 znaków w wierszu – ze sterownikiem KS0066 (kompatybilnym z HD44780). Z „cyfrowego” punktu widzenia wszystkie moduły obsługuje się identycznie, natomiast mogą się różnić wartością napięcia VO, regulującego kontrast na ekranie.
(…)
——– ciach! ——–
To jest tylko fragment artykułu, którego pełna wersja ukazała się w listopadowym numerze czasopisma Zrozumieć Elektronikę (ZE 11/2025). Pełną wersję czasopisma znajdziesz pod tym linkiem. Natomiast niepełna, okrojona wersja, pozwalająca zapoznać się z zawartością numeru ZE 11/2025 znajduje się tutaj.
Andrzej Pawluczuk
apawluczuk@vp.pl
Uwaga! Wskazówki, jak nabyć pełne wersje dowolnych numerów ZE znajdują się na stronie:
https://piotr-gorecki.pl/n11.




